产品选型
选择臂展
  • 不限
  • 1.5米以内
  • 2米以内
  • 2.5米以内
  • 3米以内
  • 4米以内
选择负载
  • 不限
  • 10kg以内
  • 30kg以内
  • 50kg以内
  • 100kg以内
  • 200kg以内
  • 400kg以内
选型工具
嘿,您好
我能帮上什么忙?

给星空电竞留言

请留言

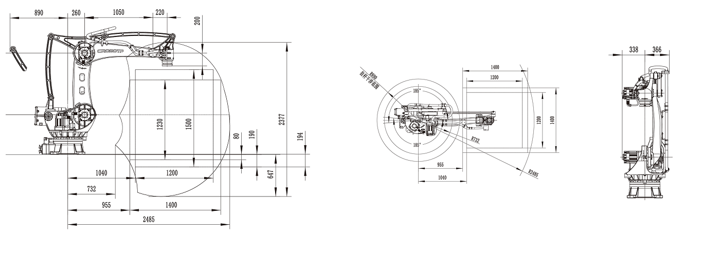
CRP-RP24-130
描述
工业码垛机器人
功能特点

• 配置独立于控制系统的安全急停板,采用安全继电器,对外提供双回路急停,确保急停的可靠性。

• 本体电缆采用柔性机器人专用电缆。

• 內装三相滤波器,有效改善EMC和EMI性能。

• 具有重力补偿、负载自适应、以及S-T功能,整机精度更高,冲击更小,典型工况节拍更快。

• 采用并联弹簧缸,占地面积更小,整机功耗更低,控制更平滑。

• 双路大孔径气管,满足大负载真空吸盘要求。


本体技术指标

安装接口图

工作范围图