Product
Arm Span
  • no limit
  • Within 1.5 meters
  • Within 2 meters
  • Within 2.5 meters
  • Within 3 meters
  • Within 4 meters
Load
  • no limit
  • Within 10kg
  • Within 30kg
  • Within 50kg
  • Within 100kg
  • Within 200kg
  • Within 400kg
Selection tool
Hey, hello
What can I do to help?

Leave us a message

Please leave a message

CRP-RH18-06-W
Describe
INDUSTRIAL ROBOTWELDING APPLICATION
FUNCTIONAL FEATURES
  • Use high-speed motor, and do software optimization, the overall beat is 20% faster than the previous generation;

  • Lighter weight,smaller forearm size, better accessibility;

  • High protection :1,2 shafts are equipped with dustproof cover, and fully surrounded welding gun is used at the same time;

  • J4,J6 axis hollow structure, can use hollow welding gun;

  • Built-in user line, gas pipe, welding cable,smooth body, clean appearance.

ROBOT BODY TECHNICAL PARAMETERS

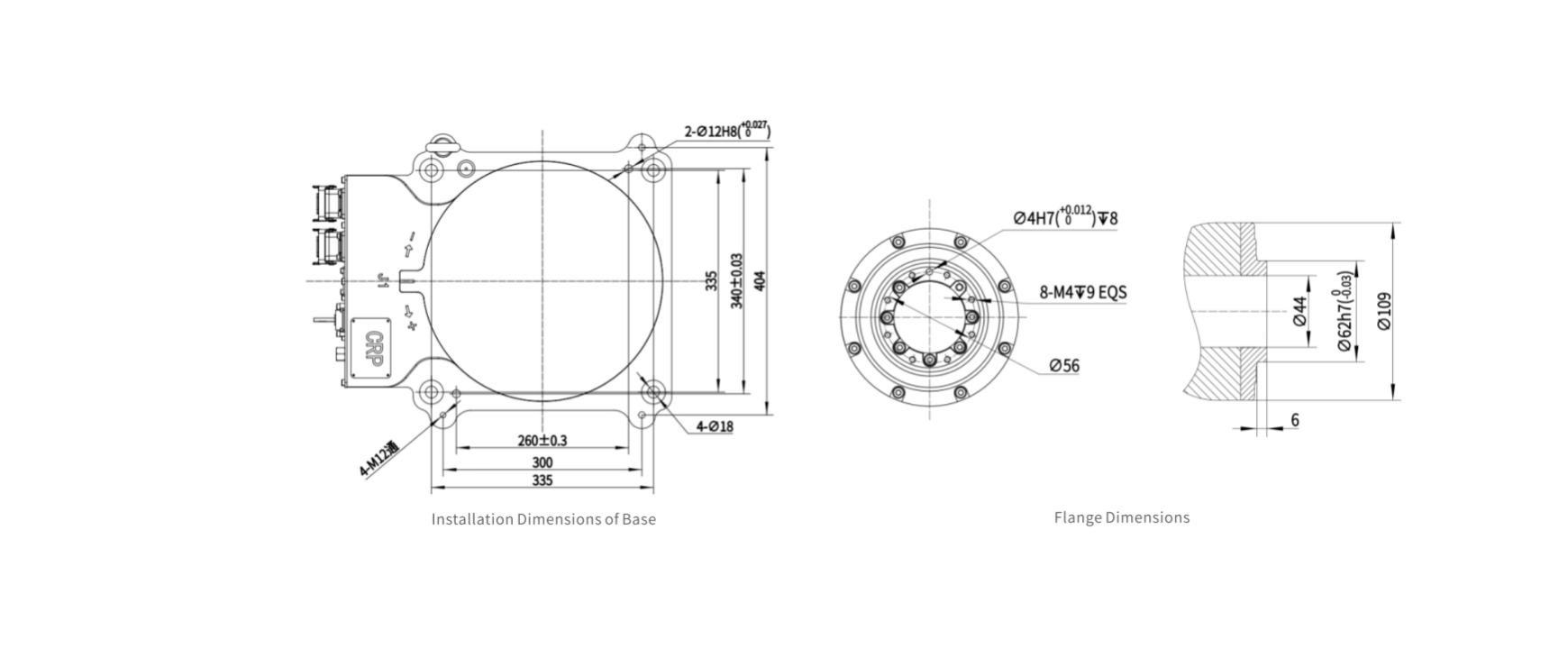
INSTALLATION INTERFACE DIAGRAM

MOTION RANGE DIAGRAM